| ĐT | (028) 62573617 |
| Địa chỉ | |
53/66 Le Chi Dan, P.Hiep An.TP.Thu Dau Mot, Binh Duong |
|
|
|
|
Tư Vấn-Thiết Kế
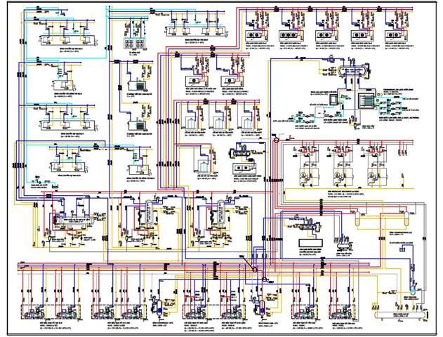
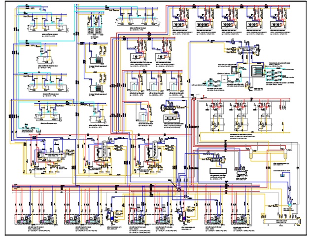
Tiên phong với BIM (Building Information Modeling) và IPD (Integrated Project Delivery), chúng tôi tư vấn thiết kế cho khách hàng qua mô hình 3D thông minh, trực quan để khách hàng có thể chọn lựa giải pháp tối ưu và phù hợp ngay từ khâu thiết kế, thi công ảo trên máy tính.
| Thiết kế – Đấu thầu – Thi công |
Thiết kế và Thi công |
||
|
Đại đa số các dự án của chúng tôi đều tiếp cận theo cách truyền thống gồm các bước Thiết kế– Đấu thầu – Thi công (D-B-B). Với kiến thức và kinh nghiệm về thị trường Công Nghiệp Lạnh trong nước, Khang Phát luôn hướng tới mục tiêu các bên cùng có lợi bằng cách nghiên cứu và đề xuất các giải pháp kỹ thuật phù hợp với dự án trong quá trình nộp thầu. |
Thiết kế và Thi công (D&B) là phương pháp triển khai dự án trong đó Khang Phát chấp nhận các nội dung cơ bản theo hợp đồng và kiểm soát khâu thiết kế và thi công dự án theo các yêu cầu của Quý khách. Quý khách chỉ cần liên hệ với một đầu mối duy nhất về trách nhiệm của toàn bộ dự án: đó là Khang Phát. Khang Phát có thể tự đưa ra thiết kế cho dự án. Đối với các dự án phức tạp, Khang Phát sẽ làm việc với các Nhà tư vấn thiết kế (Quốc tế) danh tiếng. Cách triển khai dự án này thuận lợi trong việc đưa ra các giải pháp cho dự án do phương pháp làm việc nhóm thống nhất, vì vậy sẽ làm gia tăng giá trị cho dự án của Quý khách thông qua việc giảm chi phí, nâng cao chất lượng và tiết kiệm thời gian. |
| Lợi ích Phương pháp Thiết kế và Thi công : |
- Bàn giao dự án nhanh hơn phương pháp D-B-B
- Giảm chi phí so với phương pháp D-B-B
Là một Tổng thầu Công Nghiệp Lạnh, chúng tôi sẵn sàng thực hiện theo một trong hai hình thức Thiết kế – Thi công hoặc Thiết kế – Đấu thầu – Thi công tùy theo yêu cầu của Quý khách hàng.
Dù với cách tiếp cận nào trong hai cách trên đây, Khang Phát luôn đóng vai trò là một thành viên trong nhóm phát triển dự án, chủ động tìm kiếm các giải pháp cho các vấn đề cho dù các vấn đề đó là của ai.





